Профиль Uranum для каркасных систем — надёжность и простота монтажа от производителя Uranum
Ищете прочный, устойчивый к коррозии профиль для создания каркасов фальш-стен, перегородок или сантехнических модулей? Обратите внимание на профиль Uranum-P 2109000030 — идеальное решение для монтажа каркасных систем в жилых, коммерческих и технических помещениях.
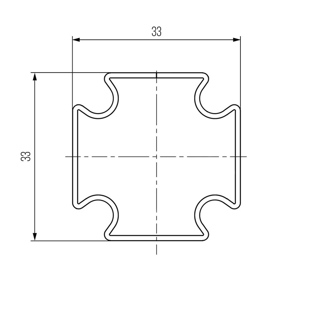
Ключевые характеристики профиля Uranum
- Материал: оцинкованная сталь, усиленная сваркой, для долговечности и устойчивости к влаге.
- Сечение: 33×33 мм, толщина стенки — 1 мм.
- Вес: всего 1,1 кг на метр, что облегчает транспортировку и монтаж.
- Нагрузка: выдерживает до 300 кг при равномерном распределении.
- Соединения: выполняются под прямым углом с помощью угловых элементов, обеспечивая жёсткость и стабильность конструкции.
Где применяется профиль Uranum?
- Фальш-стены и перегородки: быстрое создание прочных каркасов.
- Сантехнические модули: идеально подходит для монтажа застенных систем TECE.
- Коробы для коммуникаций: скрытие труб и проводов с последующей облицовкой плиткой.
Преимущества выбора Uranum
- Коррозионная стойкость: оцинкованная сталь защищена от ржавчины, даже в условиях повышенной влажности.
- Высокая нагрузка: профиль надёжно выдерживает вес подвесных унитазов, раковин и других сантехнических элементов.
- Простота монтажа: легко режется и крепится, совместим с системой TECEprofil.
- Готовность к отделке: каркас сразу после сборки можно облицовывать плиткой или другими материалами.
Почему стоит купить профиль Uranum-P в магазине Profili Ural?
- Прямые поставки от производителя Uranum (Россия).
- Гарантия качества: все изделия соответствуют строгим стандартам.
- Широкий ассортимент: в наличии всегда есть необходимые комплектующие для монтажа.
- Консультации специалистов: поможем подобрать оптимальное решение для ваших задач.
Закажите профиль Uranum-P с артикулом 2109000030 в магазине Profili Ural и создайте прочную, долговечную конструкцию без лишних усилий!











Отзывы
Отзывов пока нет.